


















請注意,上方物件照片如有街景,為物件附近環境介紹,非物件本身。
1/9
有4人也在關注這間👀
中信房屋-中原大學加盟店(叁匠開發企業社)
03-4375-566
桃園市中壢區環中東路874號
本物件非信義房屋受託銷售,各項責任(包括但不限於廣告真實性及仲介義務等)概由各該受託業者自行負責,不屬信義房屋控制及負責範圍。
按下按鈕表示您已同意本站
服務條款
與隱私權聲明
預約看屋
此為其他仲介業者物件

南勢鼎藏璞麗二期美兩房車
非信義物件(2094827CT)
桃園市平鎮區文心路
有4人也在關注這間👀
總價
1,066萬
建坪單價
28.8萬/坪
格局
2房2廳1衛
房貸試算
計算
元/月
年|利率%概算|undefined年寬限期
符合首購資格嗎?
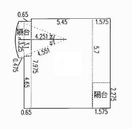
坪數詳情
細項
建坪37.01
主+陽19.14
地坪3.86
類型大樓
屋齡8.7年
樓層3樓/15樓
管理費
約2,078 元/月
加蓋格局--
謄本用途--
使用分區--
完整物件詳情
中信房屋-中原大學加盟店(叁匠開發企業社)
03-4375-566
桃園市中壢區環中東路874號
物件特色
1. 近66快速道路、轉接高速公路便利
2. 近全聯超市 便利商店生活機能優
3. 格局方正 採光佳 稀有2房加車位
4. 近南勢國小、平南國中
5. 投資 自住皆宜
類似物件實價登錄
(38)


